PTG3-2-60-SD03221FFE ITI
Model PTG3 6600:120V Ratio VT, Indoor, Two Bushing Two Fuses, ITI
Medium Voltage Indoor Potential Transformer
Models PTG3-1-60 & PTG3-2-60
- ACCURACY CLASS:
- 0.3 WXMY, 1.2 Z at 100% rated voltage with 120V based ANSI burden.
- 0.6 WX, 1.2 MY at 58% rated voltage with 69.3V based ANSI burden.
- FREQUENCY: 60 Hz
- MAXIMUM SYSTEM VOLTAGE: 5.6kV BIL 60kV
- Thermal rating:
- 750 VA 30°C amb.
- 500 VA 55°c amb.
- Approximate weight: 34 lbs. unfused
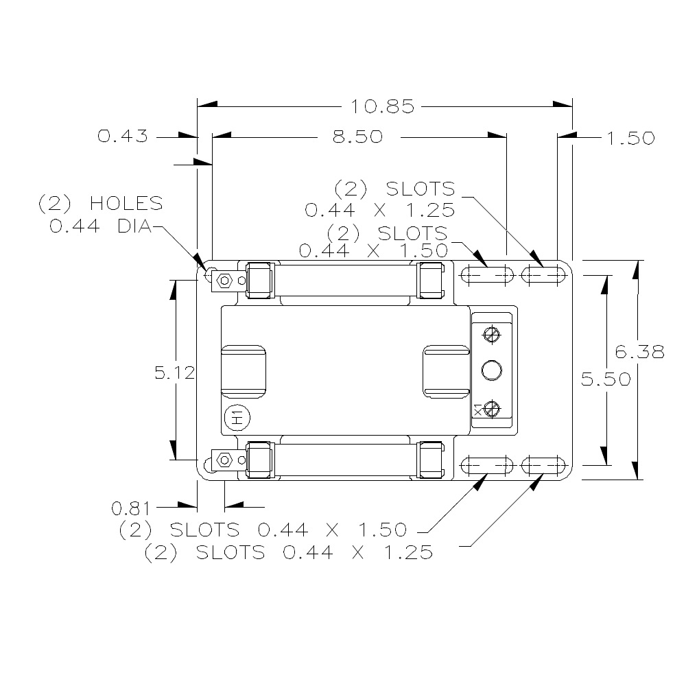
Two Bushing PTG3-2-60 Potential Transformers
Two fuse transformers should not be used for Y connections. It is preferred practice to connect one lead from each voltage transformer directly to the neutral terminal, using a fuse in the line side of the primary only. By using this connection a transformer can never be made “live” from the line side by reason of a blown fuse in the neutral side. For continuous operation the transformer primary voltage should not exceed 110% of rated value.
One Bushing PTG3-1-60 Potential Transformers
Voltage transformers connected line-to-ground cannot be considered to be grounding transformers and must not be operated with the secondaries in closed delta because excessive currents may flow in the delta.
PTG3-1-60 and PTG3-2-60 Potential Transformers with Fuse Clips Only
Fuse clips noted as “CCS” or “CS” accept fuses with 1 ” Dia. caps and 5” clip centers. Fuses clips noted as “CCL” or “CL” accept fuses with 1.63” Dia. caps and 5.88” clip centers.
- Primary terminals that are unfused are 1/4-20 brass screws with one flatwasher and lockwasher.
- Primary terminals that are fused are 1/4-20 brass screws with one flatwasher and lockwasher and two nuts.
- Secondary terminals are No. 10-32 brass screws with one flatwasher and lockwasher.
- The core and coil assembly is encased in a plastic enclosure and vacuum encapsulated in polyurethane resin.
- Thermal burden rating is for 120 volt secondaries.
- Switch gear style is similar to fused style. No fuse or fuse clip is provide, but inserts for fuse clips are supplied.
RECOMMENDED MINIMUM SPACINGS
- Unit to Unit = 0.75” minimum.
- HV to Ground in air = 3.00” minimum.
Recommended spacing are for guidance only. User needs to set appropriate values to assure performance for high potential test, impulse test, high humidity, partial discharge, high altitude, and other considerations like configuration.
Specifications
| Product | |
|---|---|
| Brand | Instrument Transformers Inc |
| Model | PTG3 |
| Input Range | 6600VAC |
| Input Frequency | 60Hz |
| Accuracy | 0.3 W, 0.3 X |
| Output | 120VAC |
| Tariff Code | 8504.31.4065 |
| ECCN | EAR99 |
| Insulation Level | 5.6kV, 60kV BIL full wave |
| Potential Transformers | |
|---|---|
| PT/VT Group | Group 2. Rated Voltage: 100% L-L, 58% L-N |
| PT/VT Turns Ratio | 55/1 |
| PT/VT Thermal Rating | 500VA at 55°C amb., 750VA at 30°C amb. |









