IS13183
Model AL19WF 0-1.734VAC Scale VU-A, Rear Zero, Straight Tab Terminals, 6VDC Illuminated, Presentor, Sifam
The Presentor Audio Level range of analogue panel meters complements the proven and popular industrial series. The range offers a performance not significantly different from full specification VU meters to meet today's audio market requirement for quality at affordable prices.
Features and benefits
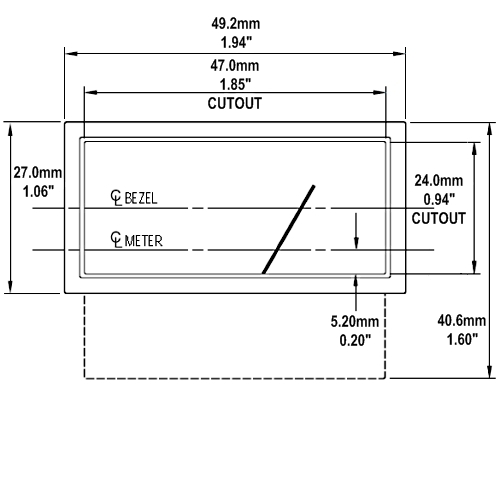
- Simple back of panel mounting
- Constructed with transparent acrylic front and high impact translucent rear body moulding.
- Taut band core magnet movement incorporated as standard with compact 26mm diameter barrel. This rugged movement makes these meters equally suitable for portable or fixed audio applications. There is no calibration effect when mounted on a ferrous panel.
Specification
A low range ac voltmeter offering a performance close to that of a full specification VU meter. Please refer to back page for full details. Pointers and dials The combination of tube pointer and flattened arc scale on translucent buff coloured dial results in an easily read meter, even when monitoring a row on a large console. A white dial can be specified if required. The standard scale is based on the VU A scale.
A low range ac voltmeter suitable for connecting across a 600 ohm line and self contained except for requiring an external 3.6k ohm resistor. Calibrated for use with a 3.6k ohm resistor 4vu above the scale marking so that the reference deflection (0vu) is produced by a signal 4vu above 1mW in 600 ohms (1.228v).
The performance of the meter is based upon the requirements of BS 6840: Part 17:1991, IEC 268 - 17: 1990. The dynamic characteristics quoted, which requires the response time to 99% of reference deflection (0vu) to be 0.3 seconds +/-10% with an overswing of at least 1.0% but not more than 1.5% are not fully met.
The overswing, because damping is not so tightly controlled but allowed to spread within normal design restraints, can vary between deadbeat to 5%. To specify the dynamic characteristics in terms of time to 99% of 0vu under such circumstances would give an unrepresentative measure of the speed of response. For this reason the time to reach -3vu with a steady reading of reference deflection (0vu) has been taken as a more realistic measure.
The following comparison can be made based on a rise time to -3vu with steady deflection of 0vu:
- IEC 0.13 - 0.15 seconds
- AL19 0.14 - 0.18 seconds.
Zero adjuster
Positioned on the rear as standard.
Operating Temperature
-25°C to +55°C.
Illumination
Internal LED Illuminate is supplied on this model. An overhead mount for an incandescent festoon lamp is also available and sold separately.
Terminals
6mm tabs are supplied as standard but threaded studs or flying leads are available for special order items.
Specifications
| Brand | Sifam |
| Model | AL19 |
| Input Range | 0-1.734VAC |
| Input Frequency | Audio (Cal. at 1kHz) |
| Scale, Range, or Display | VU-A |
| Tariff Code | 9030.33.1000 |
| ECCN | EAR99 |





