Skip to Content

E-600-50

https://www.metersales.com/web/image/product.template/73628/image_1920?unique=f44eca6

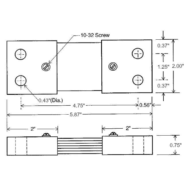
Model E 600 Ampere 50 Millivolt Shunt, Canadian Shunt

132.53 132.53 USD 132.53

Not Available For Sale

  • Brand
  • Model
  • Tariff Code
  • ECCN
  • Shunt Resistance
  • Input Range
  • Output
  • Accuracy

This combination does not exist.


Specifications

Product
Brand Canadian Shunt
Model E
Tariff Code 8533.29.0000
ECCN EAR99
Input Range 0-600A
Output 0-50mV
Accuracy 0.25% Class
Current Shunt
Shunt Resistance 8.33 µΩ (0.00000833 Ohms)