APPLICATION: To provide control power in medium power switchgear.
FREQUENCY: 60 Hz
INSULATION LEVEL:
- CPTS3: 5kV, 60kV BIL full wave
- CPTS5: 15kV, 95kV BIL full wave
THERMAL RATING: 15kVA at 30°C amb., 12.9 kVA at 55°C amb
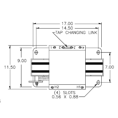
- Primary terminals are brass screws 1/4-20 with one flatwasher and starwasher.
- Secondary terminals are brass studs 1/2-13 with one flatwasher, lockwasher and two nuts, plus series/parallel links.
- The transformer High Voltage winding is vacuum encapsulated in epoxy resin.
- Supplied with 1±7-1/2% (A) or 2±2-1/2% (B) tops above & below normal voltage on the primary winding.
- Available as unfused only.
- Self cooled.
- Steel mounting base.
- For indoor use.
- Assembly is varnish coated.
- Approximate weight: 290 lbs.
Specifications
| Product | |
|---|---|
| Brand | Instrument Transformers Inc |
| Model | CPTS3 |
| Input Range | 2400VAC |
| Input Frequency | 60Hz |
| Output | 120VAC, 240VAC |
| Tariff Code | 8504.32.0000 |
| ECCN | EAR99 |
| Insulation Level | 15.0kV, 95kV BIL full wave |
| Potential Transformers | |
|---|---|
| PT/VT Turns Ratio | 20/1, 10/1 |
| PT/VT Thermal Rating | 15kVA at 30°C amb., 12.9kVA at 55°C amb. |
| PT/VT Rec. Primary Fuse Rating | 15.0 E |









