These transformers are designed for operation line-to-line. They may also be operated line-to-ground or line-to-neutral at reduced voltage (58% of rated volts).
FREQUENCY: 60 Hz
STANDARD SECONDARY VOLTAGE: 120V
INSULATION LEVEL: 600V, 10kV BIL full wave
ACCURACY CLASS: ± 0.6% at all burdens up to 7.5VA and ±1.5% sy 20VA burden
THERMAL RATING: 75VA at 30°C amb., 50VA at 55°C amb.
- The transformers are encased in a thermoplastic case with the core and windings encapsulated in resin.
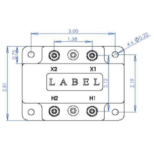
- Terminals are No. 10-32 brass studs with one lock washer and one flat washer each.
- Note: All transformers listed with the exception of the 480v and 600v are ANSIC57.13 group 1. The 480v and 600v are group 2.
- It is desirable to use a 0.8 amp fuse in the secondary to protect the transformer.
Specifications
| Product | |
|---|---|
| Brand | Electromagnetic Industries |
| Model | 468 |
| Input Range | 69.3VAC |
| Input Frequency | 60Hz |
| Accuracy | 0.6% Class to 7.5VA, 1.5% Class up to 20VA |
| Output | 120VAC |
| Tariff Code | 8504.31.0000 |
| ECCN | EAR99 |
| Insulation Level | 600V, 10kV BIL full wave |
| Potential Transformers | |
|---|---|
| PT/VT Group | Group 1. Rated Voltage: 100% L-L or L-G |
| PT/VT Turns Ratio | 0.58/1 |
| PT/VT Thermal Rating | 75VA at 30°C amb., 50VA at 55°C amb. |
| PT/VT Rec. Primary Fuse Rating | 3.0 A |



