Medium Voltage
Indoor Voltage Transformer
3PT3-60
ACCURACY CLASS: 0.3 WX, 0.6M,1.2Y at 100% rated voltage with 120V based ANSI burden.
FREQUENCY: 60 Hz.
THERMAL RATING:
- 700 VA total 350 VA per phase, at 30°C. amb.
- 450 VA total, 225 VA per phase, at 55°C. amb.
STANDARD SECONDARY VOLTAGE: 120 volts.
MAXIMUM SYSTEM VOLTAGE: 5.6kV, BIL 60kV.
Primary terminals are No.10-32 brass screws with one flatwasher and lockwasher.
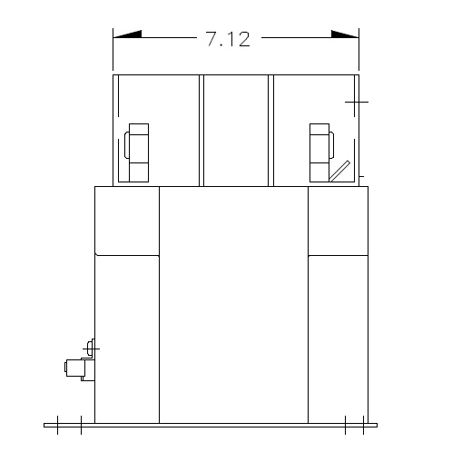
Approximate weight 38 lbs.
The core and coil assembly is encased in a
plastic enclosure and vacuum encapsulated in polyurethane resin.
Fuse is 0.81" Diameter, 5.62" Long.
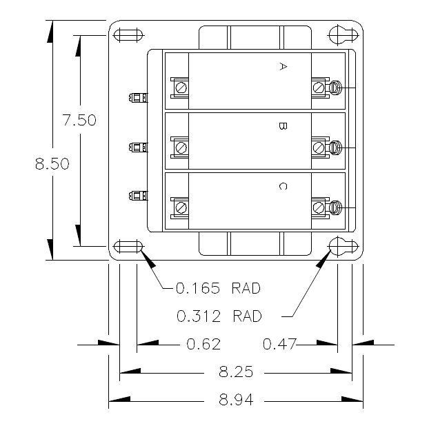
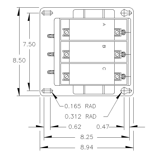
RECOMMENDED MINIMUM SPACINGS
A = Case to Ground = 1.50" minimum.
Recommended spacing are for guidance only. User needs to set appropriate values to assure performance for high potential test, impulse test, high humidity, partial discharge, high altitude, and other considerations like configuration.
Specifications
| Product | |
|---|---|
| Brand | Instrument Transformers Inc |
| Model | 3PT3 |
| Input Range | 2400VAC |
| Input Frequency | 60Hz |
| Accuracy | 0.3 W, 0.3 X, 0.6 M, 1.2 Y |
| Output | 120VAC |
| Tariff Code | 8504.31.4065 |
| ECCN | EAR99 |
| Insulation Level | 5.6kV, 60kV BIL full wave |
| Potential Transformers | |
|---|---|
| PT/VT Turns Ratio | 20/1 |
| PT/VT Thermal Rating | 700VA total, 350VA per phase at 30°C amb., 450VA total, 225VA per phase at 55°C amb. |
| PT/VT Rec. Primary Fuse Rating | 1.0E |











