239-304A-GBNG-PQ-S1-S2
Model 239 0-100mVDC Scale 0-20 Specify Caption, DSP Midband Energized, 120VAC 50Hz Aux, Crompton
Series 239 Analog Meter Relay
Series 239 meter relays combine a highly accurate indicator with High and Low set point relays. The relays can operate alarm and control devices when the monitored signal value moves outside the chosen set point limits shown by adjustable red index pointers. A single compact case houses the unit which requires only the input signal and power supply thus saving space and installation time.
Meter Relay Types
- 239-300A: One Relay, Two Set Points
- Low Relay de-energized below Low (Left) Setpoint.
- Midband maintains previous state until other setpoint is crossed.
- Low Relays energized above High (Right) Setpoint.
- 239-301A: One, Relay and Setpoint
- High Relay de-energized below High Setpoint.
- High Relay energized above High Setpoint.
- 239-302A: Two Relays, Two Setpoints
- Both Relays, Mid band de-energized
- Low Relay energized below setpoint
- High Relay energized above High Setpoint.
- 239-303A: Two Relays, Two Setpoints
- Each Relay energized above each setpoint.
- Each Relay de-energized below each setpoint.
- 239-304A: Two Relays, Two Setpoints
- Both Relays, Mid band energized
- Low Relay de-energized below setpoint
- High Relay de-energized above High Setpoint.
Note: No Time Delay Function
- 239-305A: Two Relays, Two Setpoints
- Each Relay de-energized above each setpoint.
- Each Relay energized below each setpoint.
- 239-307A: One Relay. One Setpoint
- Low Relay energized below setpoint
- Low Relay de-energized above setpoint
Key Features
- Class 1.5 Accuracy
- Stable electronic switching circuit does not use lamps, photocells, inductors or capacitors.
- Isolated input signal
- Control function continues if the indicator becomes damaged
- Rugged, shock and vibration resistant design
- LED relay status indicators
Applications
- Liquid level control
- Load shedding
- Power factor correction
- High & Low alarms, depending on the version
- Shutdown
- Frequency monitoring
- Temperature indication and control
Product Technical and Performance Specifications
Adjustments
- Front Panel: Set-point potentiometer(s)
- Rear Panel: Delay potentiometer(s) (except 239-304A)
Measuring
- Freq. Monitoring: DC or 50-60Hz ±10%, depending on range.
- Input Burden: <0.5VA
- Damping Time: 1 second
- Indicator Accuracy: Class 1.5
- Set-point Range: 98% of scale
- Set-point accuracy: 1% of range
- Set-point hysteresis: 2% of range
- Trip repeatability: 0.5% of range
- Relay trip-time: <1 second
- Time delay: 0-20 seconds, adjustable by potentiometer on rear panel
- 0-10 sec. & 0-40 sec. also available
- Except for 239-304A
- Indication: Single, red LED per set-point to indicate trip condition
- 4" Scale: 100 degree deflection
- Panel Material: Ferrous or Non-Ferrous
- Dielectric Test: 2600V RMS for 1 minute
- Auxiliary Supply Burden: <1.5W
Outputs
- Relays: DPCO contacts
- 5A @ 250VAC
- 5A @ 30VDC resistive
- Electrical life: >10,000 power operations
- Contact: class IIB (IEC 60255-0-20)
- Relay Logic: Energize or de-energize, depending on meter relay type (see above)
Enclosure
- Flammability: UL94V1
- Terminal Capacities: 1 to 4mm solid or stranded conductors
Environmental & Mechanical
- Ambient Temperature
- Reference Range: +15 °C to +30 °C
- Nominal Range of Use: 0 °C to +60 °C
- Storage Temperature: -20 °C to +70 °C
- Relative Humidity: <90%, non condensing
- Shock: 15g/6ms (EN 60068-2-27)
- Bumping: 40g/6ms (EN 60058-2-29)
- Vibration: 10-300Hz (EN 60068-2-6)
- Protection Class (BS EN 60529)
- Terminals to IP20
- Enclosure to IP50
Specifications
| Brand | Crompton |
| Model | 239 |
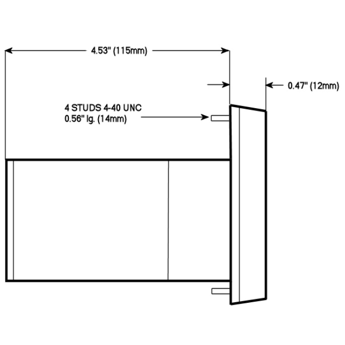
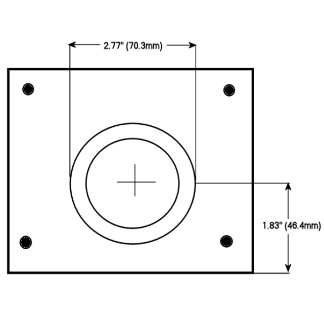
| Form Factor | 4-Stud Mount, Panel: 4.5-Inch ANSI C39.1 |
| Input Range | 0-100mVDC |
| Input Frequency | DC |
| Scale, Range, or Display | 0-20 Specify Caption |
| Accuracy | ±1.5% of Full Scale |
| Aux. Power Supply | Linear ~110/120VAC, 50/60Hz |
| Tariff Code | 9030.39.9900 |
| ECCN | EAR99 |













